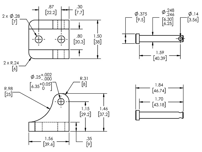
MMP LA3-BRACKET

Premium bracket specially designed for the MMP LA3 Series Linear Actuators.






• Up to 703 lbs. max load
• 0.248” diameter Mounting Bolt with Cotter Pin
• Made from Machined Aluminum Alloy 6061-T6

CAD Files:
PIN

 


Please note that the Products on our site are only samples of our total product offering.
We offer a multitude of finished designs that can likely meet your exact requirements.
If you are unable to find a product that meets your requirements, please contact us
and we will make a recommendation from our thousands of released designs.

Midwest Motion Products can provide you with prototypes from stock.
Ultra-fast Turnaround
on most short run orders and minimal lead-times for large-scale Production.
No Minimum Order Quantities.

For more information on this product or any of the other product lines we carry, contact:

Midwest Motion Products, Inc.

Phone: (320) 490-7060
E-mail: sales@midwestmotion.com