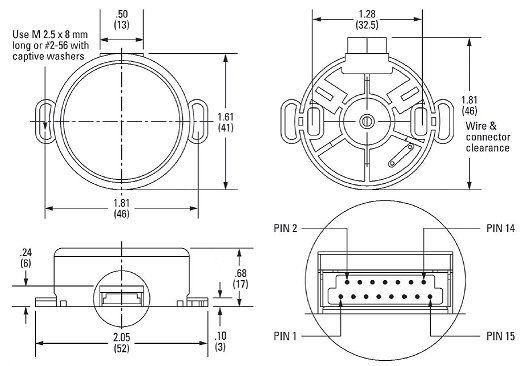
EU Series Optical Encoder: (For use with all MMP motors/gearmotors except all TM series & S17 series)
DOWNLOAD EU SERIES SPEC SHEET

Interconnects / Functions:
Pin : |
Description: |
Color: |
Pin 1 |
Ground |
Brown |
Pin 2 |
Index |
Violet |
Pin 3 |
Channel A |
Blue |
Pin 4 |
+ 5 Volts |
Orange |
Pin 5 |
Channel B |
Yellow |
- 2 channel quadrature TTL squarewave outputs
- Index (3rd channel; 1x/Rev)
- 12” long flying leads
- Encoder is mounted integrally to the back of the motor or brake
- Resolutions available: 32 CPR, 100 CPR, 250 CPR, 500 CPR, 1024 CPR
(Use suffix “EU-xxx” after model # to designate resolution when ordering) |
EC Series Optical Encoder:
For use with the following motor series:
MMP TM36-268
MMP S14-247
MMP TM40-285
MMP S17-400
DOWNLOAD EC SERIES SPEC SHEET

Interconnects / Functions:
Pin : |
Description: |
Color: |
Pin 1 |
Ground |
Brown |
Pin 2 |
Index |
Violet |
Pin 3 |
Channel A |
Blue |
Pin 4 |
+ 5 Volts |
Orange |
Pin 5 |
Channel B |
Yellow |
- 2 channel quadrature TTL squarewave outputs
- Index (3rd channel; 1x/Rev)
- 12” long flying leads
- Encoder is mounted integrally to the back of the motor or brake
- Resolutions available: 32 CPR, 100 CPR, 250 CPR, 500 CPR, 1024 CPR
(Use suffix “EU-xxx” after model # to designate resolution when ordering) |
E5 Series Optical Encoder: (For use with all MMP motors/gearmotors except all TM series & S17 series)
DOWNLOAD E5 SERIES SPEC SHEET

Interconnects / Functions:
Pin: |
Description: |
Color: |
1 |
- |
- |
2 |
Ground |
Green/White Stripe |
3 |
Index- |
White/Orange Stripe |
4 |
Index+ |
Orange/White Stripe |
5 |
A- channel |
White/Blue Stripe |
6 |
A+ channel |
Blue/White Stripe |
7 |
+5VDC power |
White/Green Stripe |
8 |
- |
- |
9 |
B- channel |
White/Brown Stripe |
10 |
B+ channel |
Brown/White Stripe |
- Standard Cable Length: 48" (flying leads)
- 2 channel Quadrature TTL Squarewave outputs
- Optional index (3rd channel)
- Encoder is mounted integrally to the back of the motor or brake
- Default Resolutions available: 50 CPR, 100 CPR, 250 CPR, 500 CPR, 1000 CPR, 1024 CPR and 2048 CPR.
(Use suffix “E5-xxx” after model # to designate resolution when ordering)
A Single-Ended Version of this encoder is available: Download a copy of the MMP E5-S series spec sheet here.
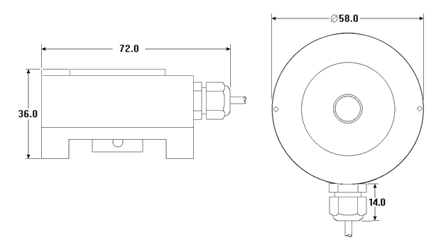
EM Series Magnetic Modular Encoder: (For use with all MMP motors/gearmotors except all TM series & S17 series)
DOWNLOAD EM SERIES SPEC SHEET
- For high-temperature, harsh particulate environments, shock and vibration environments


Includes 17.5" Cable (flying leads)
Default Resolutions available: 100, 256, 512, 1024 and 2048 CPR.
Use suffix “EM-xxx” after model # to designate resolution when ordering
Electrical Characteristics:
- Output: 2 channels in quadrature with gated index and optional commutation
- Supply voltage: 5 VDC ± 10%
- Output Format: Open Collector; Line Driver Optional upon request
- Current requirements: 39 mA plus commutation halls and output load
- Frequency response: 200 kHz (800 kHz data rate)
NOTE: For frequencies higher than 30 kHz, a 1k Ohm pull-up resistor should be used with each output conductor.
Ei Series IP-65 Optical Encoder: (For use with all MMP motors/gearmotors except all TM series & S17 series)
DOWNLOAD Ei SERIES SPEC SHEET

Interconnects / Functions:
Function: |
Wire Color: |
0 Volts |
White |
+ Volts |
Brown |
Channel A |
Green |
Channel B |
Yellow |
Channel 0 |
Grey |
Channel A- |
Pink |
Channel B- |
Blue |
Channel 0- |
Red |
- Stock Encoder resolutions available: 512 or 1000 CPR, but many other resolutions available
- Features index pulse, complementary output signals
- IP-65 rated protection for harsh environments, 6 ft long cable (flying leads)
(Use Suffix “Ei-xxx” after model # to designate encoder and resolution)